Біз поршенді итбалықтар саласында әртараптандырылған қажеттіліктерге назар аударамыз және гидравлика мен пневматиканың барлық сценарийлерін қамтитын жоғары сапалы шешімдерді ұсынамыз. Біздің өнім желісі кәдімгі саланың мөрлермен тығыздағыш-фактураларына сәйкес келетін материалдық инновациялар мен құрылымдық оңтайландыруды біріктіретін өзек болып бөлінеді, бұл материалдық инновациялар және құрылымдық оңтайландыру болып табылады:
1. Поршеньді тығыздағыштардың бұрылыс пломбаларының көңіл бұрарлық ойлары:
Жоғары қысымды және экструзияға қарсы: RCK102 / 102R / 104 сериясы жоғары қысымға арналған, ал қолдау құрылымы үлкен олқылықтар мен тар ойықтарға бейімделу үшін күшейтіледі. RCK109H / 120/122 және басқа аралас пломбалар және эластомерлер 35 МПа + жоғары қысымды лимит арқылы, әсіресе тау-кен және ауыр техникаларға сәйкес келеді.
Динамикалық бейімделгіштілік: rck108/118 rck108/138 өте төмен жылдамдыққа жету үшін тетрафлуорлы материалды қолданады, бұл жоғары жылдамдыққа дейін (0,01 ~ 5 м / с) тұрақты жылдамдыққа жету үшін қолданылады, ал үйкелісінің төмен сипаттамалары гидравлика мен дәл инъекция жабдықтарына жарамды.
Экстремалды ортаға төзімділік: RCK119/139 коррозияға төзімді және құрғақ киюге төзімді және қатыгездіктермен жабдықталған. Температура -40 ℃ ~ 200 ℃ Химиялық, фармацевтикалық жоғары температуралы реакторлар мен асептикалық өндірістік желілерді қамтиды.
2. Салалық дайындық дизайны:
Техникалық қызмет көрсету және модификациялау: RCK116 / 216 Орнату процесін жеңілдетеді және ескі цилиндрді жөндеудің қажеттіліктеріне бейімделеді және тағамдарды толтыру жабдықтарын жылдам ауыстыруға бейім.
Қос орта оқшауланған: RCK144 / 145 Бір уақытта майды / суды немесе газды / сұйық аралас баспа құралдарын тығыздағышпен тығыздағыштың қосалқы құрылымы бар, олар бір уақытта, күрделі жұмыс жағдайына қолайлы.
Қысқа инсультті оңтайландыру: RCK103/143 Қысқа инсульттялы гидравликалық цилиндрлерде ағып кету қаупін болдырмас үшін rck103/43 O-сақиналы алдын-ала жүктеу арқылы ендірілген тұрақтылықты жақсартады.
3. Негізгі технологияның артықшылықтары:
Материалтану: Полиуретанды ерін (RCK205) Мұнай сақтау дизайны майлаусыз пневматиканың өмірін ұзартады, ал тетрафлуороэтиленнің (RCK108) төзімділігі мен химиялық тұрақтылығын ескереді.
Құрылымдық инновациялар: Артқа бағытталған бағыттау сақиналары (RCK101), қолдау сақинасы (RCK120)
Біз 20+ инженерлік-өндіріс, мысалы, тау-кен машиналары, инъекциялық қондырғылар, инъекциялық қондырғылар, инъекциялық жабдықтар және стандартталған модульдермен және стандартталған қызметтермен жұмыс істеуге, теңдестірілген модульдер мен өнімділікті қамтамасыз етуге міндеттіміз, өйткені клиенттерге техникалық қызмет көрсету шығындарын азайтуға және жабдықтың сенімділігін арттыруға көмектесеміз.
Өнімнің ерекшеліктері мен қосымшалары:
Поршеньді тығыздағыш тығыздағыштар гидравликалық цилиндрлер мен цилиндрлер, стандартты гидравликалық цилиндрлер және гидравликалық машиналар үшін жарамды. Негізгі қосымшаларға құрылыс техникасы, ауылшаруашылық техникасы, крандар және стандартты цилиндрлер кіреді.
Химия өнеркәсібінде қолданған кезде, ол әдетте тез цилиндрлер мен позициялау машиналары үшін қолданылады. Оны тамақ өнеркәсібі, фармацевтика және аккумуляторларда да пайдалануға болады.
Артықшылықтары
Поршеньді тығыздағыш тығыздағыштары жоғары динамикалық және тұрақты пломбаланған өнімділігі бар, қосымша бағыттағыш сақиналар, гидравликалық құбылыстар, жоғары тозуға төзімді, жақсы термиялық өткізгіштік, жақсы термиялық өткізгіштік, кең қолданылатын температура диапазоны және динамикалық жағдайда мықты майды қайтару қабілеті.

RCK101
Тапсырыс мөлшері
ΦD ...... Сыртқы диаметрі
ΦD ...... Ішкі диаметр
L ...... ойық ені
|
Бетті аяқтау |
R Tmax (мкм) |
RA (мкм) |
|
Сырғымалы бетінің сәйкестігі Резеңке / полиуретанның тығыздағыштары Сырғымалы бетті сәйкестендіру PTFE пломбалары |
≤2.5
≤2 |
≤0.1-0.5
≤0.05-0.3 |
|
Астыңғы Ойық жағы |
≤6.3 ≤15 |
≤1.6 ≤3 |
|
TP профилін қолдау ұзындығының коэффициенті |
50% -95% |
|
|
Шыдам |
|
|
ΦD |
H10 |
|
ΦD |
Н9 |
Тапсырыс беру мысал
Үлгі: RCK101
Groove Size: 100x84x10
Материал: RC-PU-H

Мөрі: rck101, rck102, rck103, rck104, rck104, rck105, rck106, rck106, rck107, rck107, rck108, rck118, rck118, rck118, rck127
Негізгі Қолдану: гидравликалық және пневматикалық цилиндрлерге жарамды
Артықшылықтары: ол ойыққа енген кезде тұрақты, өте динамикалық және статикалық пломбаланған өнімділігі бар, кең температуралық диапазонға қолданылады және динамикалық жағдайда майды қатты қайтару қабілеті бар.
Материал: полиуретан, резеңке
|
Сот ойықтарының мысалдары |
Төменде стандартты ойық өлшемдері берілген (өлшем диапазонындағы кез-келген мөлшердегі шаң дақылдары) |
||||||||
|
|
|
ΦD |
ΦD |
L |
c / с |
Максималды экструзиясы бар |
|||
|
100 бөрік |
250 бр |
400 б. |
|||||||
|
5-24.9 |
ΦD-8 |
6 |
4 |
0.5 |
0.35 |
0.25 |
|||
|
25-49.9 |
ΦD-10 |
7 |
5 |
0.5 |
0.35 |
0.25 |
|||
|
50-74.9 |
ΦD-12 |
8 |
6 |
0.5 |
0.35 |
0.25 |
|||
|
75-149.9 |
ΦD-16 |
10 |
8 |
0.5 |
0.35 |
0.25 |
|||
|
150-299.9 |
ΦD-20 |
12 |
10 |
0.5 |
0.35 |
0.25 |
|||
|
300-500 |
ΦD-24 |
18 |
12 |
0.5 |
0.35 |
0.25 |
|||
|
500-750 |
ΦD-30 |
20 |
15 |
0.6 |
0.40 |
0.30 |
|||
|
> 750 |
ΦD-40 |
26 |
20 |
0.7 |
0.45 |
0.35 |
|||

RCK108
Тапсырыс мөлшері
ΦD ...... Сыртқы диаметрі
ΦD ...... Ішкі диаметр
L ...... ойық ені
|
Бетті аяқтау |
R Tmax (мкм) |
RA (мкм) |
|
Сырғымалы бетінің сәйкестігі Резеңке / полиуретанның тығыздағыштары Сырғымалы бетті сәйкестендіру PTFE пломбалары |
≤2.5
≤2 |
≤0.1-0.5
≤0.05-0.3 |
|
Астыңғы Ойық жағы |
≤6.3 ≤15 |
≤1.6 ≤3 |
|
TP профилін қолдау ұзындығының коэффициенті |
50% -95% |
|
|
Шыдам |
|
|
ΦD |
H10 |
|
ΦD |
Н9 |
Тапсырыс беру мысал
Үлгі: RCK108
Groove Size: 100x84.5x6.3
Материал: PTFE3 + NBR

Мөрі: rck108, rck125, rck140, rck238, rck238, rck138
Негізгі Қолдану: стандартты гидравликалық цилиндрлер және мобильді гидравликалық машиналар
Артықшылықтары: төмен үйкеліс, гидравликалық крептер, жоғары тозуға төзімді, жоғары тозуға қарсы тұру, жақсы термиялық өткізгіштік, жақсы жылу өткізгіштік, тұрақты ендірілген ойық, кең температура диапазоны.
Материал: Тетрафлуороэтилен + Нитрильді резеңке немесе фтор резеңке, ультра жоғары қаттылық полиуретан + Нитрильді резеңке
|
Сот ойықтарының мысалдары |
Төменде стандартты ойық өлшемдері берілген (өлшем диапазонындағы кез-келген мөлшердегі шаң дақылдары) |
||||||||
|
|
|
ΦD |
ΦD |
L |
c / с |
Максималды экструзиясы бар |
|||
|
100 бөрік |
250 бр |
400 б. |
|||||||
|
8-14.9 |
ΦD-4.9 |
2.2 |
2.45 |
0.30 |
0.20 |
0.15 |
|||
|
15-39.9 |
ΦD-7.5 |
3.2 |
3.75 |
0.40 |
0.25 |
0.15 |
|||
|
40-79.9 |
ΦD-11 |
4.2 |
5.5 |
0.40 |
0.25 |
0.20 |
|||
|
80-132.9 |
ΦD-15.5 |
6.3 |
7.75 |
0.50 |
0.30 |
0.20 |
|||
|
133-329.9 |
ΦD-21 |
8.1 |
10.5 |
0.60 |
0.35 |
0.25 |
|||
|
330-669.9 |
ΦD-24.5 |
8.1 |
12.25 |
0.60 |
0.35 |
0.25 |
|||
|
670-1000 |
ΦD-28 |
9.5 |
14 |
0.70 |
0.50 |
0.30 |
|||
|
> 1000 |
ΦD-38 |
13.8 |
19 |
1.00 |
0.70 |
0.60 |
|||

Rck109n
Тапсырыс мөлшері
ΦD ...... Сыртқы диаметрі
ΦD ...... Ішкі диаметр
ΦD1 ...... Ішкі диаметр
L ...... ойық ені
L1 ...... ойық ені
|
Бетті аяқтау |
R Tmax (мкм) |
RA (мкм) |
|
Сырғымалы бетінің сәйкестігі Резеңке / полиуретанның тығыздағыштары Сырғымалы бетті сәйкестендіру PTFE пломбалары |
≤2.5
≤2 |
≤0.1-0.5
≤0.05-0.3 |
|
Астыңғы Ойық жағы |
≤6.3 ≤15 |
≤1.6 ≤3 |
|
TP профилін қолдау ұзындығының коэффициенті |
50% -95% |
|
|
Шыдам |
|
|
ΦD |
H10 |
|
ΦD |
Н9 |
Тапсырыс беру мысал
Модель: rck109n
Groove Size: 100x80x95x25 / 36
Материал: RC-PU-H + NBR + POM

Мөрі түрі: rck109, rck117
Негізгі Қолдану: құрылыс техникасы, ауылшаруашылық техникасы, крандар, стандартты цилиндрлер
Артықшылықтары: Тамаша статикалық және динамикалық тығыздау, қосымша бағыттағыш сақиналар, экстрессионға қарсы, бұрмалануға қарсы құрылымды, бұрмалануға қарсы құрылымды, жылдам қысымның өзгеруіне сәйкес келеді.
Материал: Полиуретан, резеңке, полиуретан, тетрафлуетилен
|
Сот ойықтарының мысалдары |
Төменде стандартты ойық өлшемдері берілген (өлшем диапазонындағы кез-келген мөлшердегі шаң дақылдары) |
||||||
|
|
|
ΦD |
ΦD |
Fd1 |
L |
L1 |
|
|
20-44.9 |
ΦD-10 |
ΦD-3 |
12.5 |
20.5 |
|||
|
50-79.9 |
ΦD-15 |
ΦD-4 |
20 |
28 |
|||
|
80-144.9 |
ΦD-20 |
ΦD-5 |
25 |
36 |
|||
|
150-399.9 |
ΦD-25 |
ΦD-6 |
32 |
46 |
|||
|
400-750 |
ΦD-30 |
ΦD-8 |
36 |
50 |
|||
|
> 750 |
ΦD-40 |
ΦD-8 |
40 |
54 |
|||

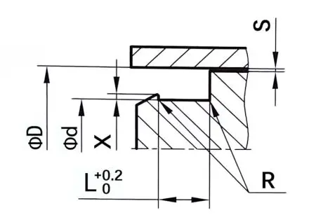
RCK119
Тапсырыс мөлшері
ΦD ...... Сыртқы диаметрі
ΦD ...... Ішкі диаметр
L ...... ойық ені
|
Бетті аяқтау |
R Tmax (мкм) |
RA (мкм) |
|
Сырғымалы бетінің сәйкестігі Резеңке / полиуретанның тығыздағыштары Сырғымалы бетті сәйкестендіру PTFE пломбалары |
≤2.5
≤2 |
≤0.1-0.5
≤0.05-0.3 |
|
Астыңғы Ойық жағы |
≤6.3 ≤15 |
≤1.6 ≤3 |
|
TP профилін қолдау ұзындығының коэффициенті |
50% -95% |
|
|
Шыдам |
|
|
ΦD |
H10 |
|
ΦD |
Н9 |
Тапсырыс беру мысал
Үлгі: RCK119
Groove Size: 100x90.6x7.1
Материал: Ptfe4 + V

Мөрі түрі: rck119
Негізгі Қолдану: химия өнеркәсібі, тез цилиндрлер және позициялау машиналары, тамақ өнеркәсібі, фармацевтика, аккумуляторлар.
Артықшылықтары: жоғары температураға және әртүрлі химиялық бұқаралық ақпарат құралдарына және әртүрлі химиялық бұқаралық ақпарат құралдарына, үйкеліс коэффициентіне, кәдімгі, құрғақ үйкеліс сипаттамаларына, төмен, төмен статикалық және динамикалық қажеттілігімен.
Материал: PTFE + жапырақтары
|
Сот ойықтарының мысалдары |
Төменде стандартты ойық өлшемдері берілген (өлшем диапазонындағы кез-келген мөлшердегі шаң дақылдары) |
|||||||||
|
|
|
ΦD |
ΦD |
L |
R |
X |
Максималды экструзияға дейін |
|||
|
100 бөрік |
250 бр |
400 б. |
||||||||
|
14-24.9 |
D-4.5 |
3.6 |
0.4 |
0.6 |
0.15 |
0.10 |
0.07 |
|||
|
25-45.9 |
D-6.2 |
4.8 |
0.6 |
0.7 |
0.20 |
0.15 |
0.08 |
|||
|
46-124.9 |
D-9.4 |
7.1 |
0.8 |
0.8 |
0.25 |
0.25 |
0.10 |
|||
|
125-1000 |
D-12.2 |
9.5 |
0.8 |
0.9 |
0.30 |
0.30 |
0.12 |
|||
|
> 1000 |
D-19.0 |
15 |
0.8 |
0.9 |
0.50 |
0.50 |
0.20 |
|||























































































Мекенжай
№1 Руйчэн жолы, Дунлиутинг индустриалды паркі, Ченьян ауданы, Циндао қаласы, Шаньдун провинциясы, Қытай
Тел
Электрондық пошта