Біздің ТКС сериялары кәсіби жобалау және техникалық өндіріс арқылы Piston Rod тығыздағышы тығыздағыштарының әр түрлі қажеттіліктеріне сәйкес келеді, бұл жалпы сценарийлерден, жалпы сценарийлерден төтенше жағдайға дейін, олар төтенше жағдайларға дейін.
Құрылымдық дизайн тұрғысынан негізгі модельдер тұрақтылыққа және пайдаланудың қарапайымдылығына бағытталған: RCS101/103 RCS101/103, әсіресе қатайтатын о-сақиналар немесе қосалқы ерінді, әсіресе қысқа соққылар арқылы ендіру тұрақтылығын арттырады; RCS102 / 104R / 117R Материалдық және ойық үйлесімділікті оңтайландыру арқылы жоғары қысымдарды қолдайды (мысалы, стандартты ойықша жоғары қысымды сценарийлер үшін RCS102R). Пневматикалық жүйелер үшін RCS105 / 205 майлы қабықпен майлау және майлау / майлау орталарына бейімделу үшін арнайы ерін дизайнын қабылдайды.
Рухен тығыздағыштары сонымен қатар материалдық және функционалдық инновацияларға назар аударады. RCS118 / 119/124-129 сияқты модельдер Политетрафлуороэтиленді (PTFE) немесе полиуретанды негізгі дене ретінде пайдаланыңыз, негізгі үйкеліске, құрғақ киімге, құрғақ тозуға, коррозияға қарсы тозуға және химиялық және азық-түлікпен жабдықтауға қарсы тұрақтылыққа қарсы тұру. RCS129 машиналар мен ауыр гидравликалық жабдықтарға жарамды RCS101 көмегімен герметикалық жүйе құра алады; RCS126-128 Төмен қысымды герметиканы асимметриялық V бөліктер арқылы оңтайландырады және фармацевтика және химия өнеркәсібі үшін реттеледі.
Күрделі жұмыс жағдайлары үшін, RCS120 / 138 және басқа қосалқы мотоциклдер үшін жоғары қысымға және бұрмалауға және ықшам бұрмалауға төзімді және бұрмалануға және бейімделуге арналған біріктірілген қолдау сақинасы дизайны бар; RCS131 - бұл экструзияға және химиялық тұрақтылыққа төзімді және тамақ және фармацевтика саласындағы артықшылықты таңдауға айналды. Және RCS116 / 216 Ескі цилиндрлерді тоқтау шығындарын азайту үшін арматура арқылы тез қалпына келтіре алады.
RCS сериялары клиенттерге жоғары қысыммен, жоғары жылдамдықпен, коррозиялық бұқаралық ақпарат құралдарымен және арнайы салалардағы қиындықтармен күресуге және жабдықтың сенімділігі мен өмірін жақсартуға көмектеседі.
Өнімнің ерекшеліктері мен қосымшалары:
Piston Rod тығыздағышы бұрылыс тығыздағыштары гидравликалық цилиндрлер мен цилиндрлер, инженерлік көліктер, ауылшаруашылық техникалары, крандар және теңіз гидравликалық жабдықтарына, станоктарға жарамды.
Ауыр өндірістік техникаларда, баспасөз, химия өнеркәсібі, фаст-мұнай баллондары және позициялау машиналарында тамақ өнеркәсібі, фармацевтика өндірісі қолданылады.
Артықшылықтары
Piston Rod тығыздағышы дақылдары тұрақты температуралық диапазонмен, керемет статикалық және динамикалық тығыздау өнімділігімен және динамикалық жағдайда майды қалпына келтірудің күшті қабілеттілігімен тұрақты түрде ендірілген. Төмен үйкеліс, қыңырлау, жоғары тозуға төзімді, жоғары статикалық және үйкеліс құндылықтары, тек жақсы статикалық және үйкеліс құндылықтары, тек жақсы экструзияға қарсы өнімділік, жақсы жылу өткізгіштік және кең температура диапазоны.
Ескі поршене шыбықтар үшін жарамды, ашық типтегі ашық тип.

RCS101
Тапсырыс мөлшері
ΦD ...... Сыртқы диаметрі
ΦD ...... Ішкі диаметр
L ...... ойық ені
| Бетті аяқтау | R Tmax (мкм) | RA (мкм) |
| Сырғымалы бетінің сәйкестігі Резеңке / полиуретанның тығыздағыштары Сырғымалы бетті сәйкестендіру PTFE пломбалары | ≤2.5 ≤2 | ≤0.1-0.5 ≤0.05-0.3 |
| Астыңғы Ойық жағы | ≤6.3 ≤15 | ≤1.6 ≤3 |
| TP профилін қолдау ұзындығының коэффициенті | 50% -95% |
|
| Шыдам | |
| ΦD | f8 |
| ΦD | H10 |
Тапсырыс беру мысал
Үлгі: RCS101
Groove Size: 100x115x10
Материал: RC-PU-H

Мөрі түрі: RCS101, RCS102, RCS103, RCS103, RCS104, RCS106, RCS106, RCS107, RCS107, RCS108, RCS117, RCS117, RCS121
Негізгі Қолдану: гидравликалық және пневматикалық цилиндрлерге жарамды
Артықшылықтары: ойыққа тұрақты ендіру, температуралық диапазон, керемет статикалық және динамикалық тығыздау, динамикалық жағдайда мықты қалдық майды алу қабілеті.
Материал: полиуретан, резеңке
| Сот ойықтарының мысалдары | Төменде стандартты ойық өлшемдері берілген (өлшем диапазонындағы кез-келген мөлшердегі шаң дақылдары) | ||||||||
![]() |
![]() |
ΦD | ΦD | L | c / с | Максималды экструзиясы бар | |||
| 100 бөрік | 250 бр | 400 б. | |||||||
| 5-24.9 | ΦD + 8 | 6.3 | 4 | 0.50 | 0.35 | 0.25 | |||
| 25-49.9 | ΦD + 10 | 8 | 5 | 0.50 | 0.35 | 0.25 | |||
| 50-149.9 | ΦD + 15 | 10 | 7.5 | 0.50 | 0.35 | 0.25 | |||
| 150-229.9 | ΦD + 20 | 14 | 10 | 0.50 | 0.35 | 0.25 | |||
| 300-499.9 | ΦD + 25 | 17 | 12.5 | 0.50 | 0.35 | 0.25 | |||
| 500-699.9 | ΦD + 30 | 25 | 15 | 0.50 | 0.35 | 0.25 | |||
| > 700 | Φd + 40 | 32 | 20 | 0.60 | 0.40 | 0.30 | |||
| > 1000 | ΦD + 50 | 40 | 25 | 0.70 | 0.50 | 0.40 | |||

RCS109
Тапсырыс мөлшері
ΦD ...... Сыртқы диаметрі
ΦD ...... Ішкі диаметр
L ...... ойық ені
|
Бетті аяқтау |
R Tmax (мкм) |
RA (мкм) |
|
Сырғымалы бетінің сәйкестігі Резеңке / полиуретанның тығыздағыштары Сырғымалы бетті сәйкестендіру PTFE пломбалары |
≤2.5
≤2 |
≤0.1-0.5
≤0.05-0.3 |
|
Астыңғы Ойық жағы |
≤6.3 ≤15 |
≤1.6 ≤3 |
|
TP профилін қолдау ұзындығының коэффициенті |
50% -95% |
|
|
Шыдам |
|
|
ΦD |
f8 |
|
ΦD |
H10 |
Тапсырыс беру мысал
Үлгі: RCS109
Groove Size: 100x115.1x6.3
Материал: PTFE3 + NBR

Мөрі түрі: RCS109
Негізгі Қолдану: Инженерлік көліктер, ауылшаруашылық техникалары, крандар, теңіз гидравликалық жабдықтары, станоктар.
Артықшылықтары: төмен үйкеліс, кәдімгі, тозу, жоғары тозуға төзімді, тек жақсы экструзияға қарсы жұмыс, жақсы жылу өткізгіштік, тұрақты термиялық өткізгіштік, тұрақты ендірілген ойық, кең температура диапазоны.
Материал: тетрафлуороэтилен, нитрильді резеңке немесе фторлы резеңке
|
Сот ойықтарының мысалдары |
Төменде стандартты ойық өлшемдері берілген (өлшем диапазонындағы кез-келген мөлшердегі шаң дақылдары) |
||||||||
|
|
|
ΦD |
ΦD |
L |
c / с |
Максималды экструзиясы бар |
|||
|
100 бөрік |
200 Бар |
400 б. |
|||||||
|
5-7.9 |
ΦD + 4.9 |
2.2 |
2.45 |
0.30 |
0.20 |
0.15 |
|||
|
8-18.9 |
ΦD + 7.3 |
3.2 |
3.64 |
0.40 |
0.25 |
0.15 |
|||
|
19-37.9 |
ΦD + 10.7 |
4.2 |
5.35 |
0.40 |
0.25 |
0.20 |
|||
|
38-199.9 |
ΦD + 15.1 |
6.3 |
7.55 |
0.50 |
0.30 |
0.20 |
|||
|
200-255.9 |
Φd + 20.5 |
8.1 |
10.25 |
0.60 |
0.35 |
0.25 |
|||
|
256-649.9 |
ΦD + 24 |
8.1 |
12 |
0.60 |
0.35 |
0.25 |
|||
|
650-1000 |
Φd + 27.3 |
9.5 |
13.65 |
0.70 |
0.50 |
0.30 |
|||
|
> 1000 |
ΦD + 38 |
13.8 |
19 |
1.00 |
0.70 |
0.50 |
|||

RCS110-112
Тапсырыс мөлшері
ΦD ...... Сыртқы диаметрі
ΦD ...... Ішкі диаметр
L ...... ойық ені
|
Бетті аяқтау |
R Tmax (мкм) |
RA (мкм) |
|
Сырғымалы бетінің сәйкестігі Резеңке / полиуретанның тығыздағыштары Сырғымалы бетті сәйкестендіру PTFE пломбалары |
≤2.5
≤2 |
≤0.1-0.5
≤0.05-0.3 |
|
Астыңғы Ойық жағы |
≤6.3 ≤15 |
≤1.6 ≤3 |
|
TP профилін қолдау ұзындығының коэффициенті |
50% -95% |
|
|
Шыдам |
|
|
ΦD |
f8 |
|
ΦD |
H10 |
Тапсырыс беру мысал
Үлгі: RCS110-112
Groove Size: 100x120x32
Материал: RC-PU-H + Pom

Мөрі түрі: RCS110-112, RCS126-128
Негізгі Қолдану: Ауыр өндірістік машиналар үшін, престер
Артықшылықтары: ескі поршеньді өзектер үшін жарамды, сырғанаушыға оңай
Материал: полиуретан, полиоксиметилен, нейлон
|
Сот ойықтарының мысалдары |
Төменде стандартты ойық өлшемдері берілген (өлшем диапазонындағы кез-келген мөлшердегі шаң дақылдары) |
|||||
|
|
|
ΦD |
ΦD |
L |
c / с |
|
|
10-39.9 |
ΦD + 10 |
16 |
5 |
|||
|
40-74.9 |
ΦD + 15 |
25 |
7.5 |
|||
|
75-149.9 |
ΦD + 20 |
32 |
10 |
|||
|
150-199.9 |
ΦD + 25 |
40 |
12.5 |
|||
|
200-299.9 |
ΦD + 30 |
50 |
15 |
|||
|
300-599.9 |
Φd + 40 |
63 |
20 |
|||
|
> 600 |
Φd + 40 |
80 |
20 |
|||
|
> 1000 |
ΦD + 50 |
100 |
25 |
|||

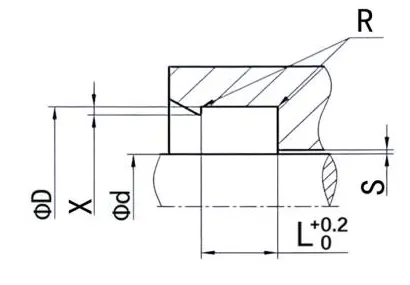
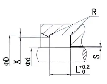
RCS119
Тапсырыс мөлшері
ΦD ...... Сыртқы диаметрі
ΦD ...... Ішкі диаметр
L ...... ойық ені
|
Бетті аяқтау |
R Tmax (мкм) |
RA (мкм) |
|
Сырғымалы бетінің сәйкестігі Резеңке / полиуретанның тығыздағыштары Сырғымалы бетті сәйкестендіру PTFE пломбалары |
≤2.5
≤2 |
≤0.1-0.5
≤0.05-0.3 |
|
Астыңғы Ойық жағы |
≤6.3 ≤15 |
≤1.6 ≤3 |
|
TP профилін қолдау ұзындығының коэффициенті |
50% -95% |
|
|
Шыдам |
|
|
ΦD |
f8 |
|
ΦD |
H10 |
Тапсырыс беру мысал
Үлгі: RCS119
Groove Size: 100x109.4x7.1
Материал: PTFE2 + NBR

Мөрі: RCS119
Негізгі Қолдану: химия өнеркәсібі, тез цилиндрлер және орналасуы техникасы. Тамақ өнеркәсібі, фармацевтика өнеркәсібі.
Артықшылықтары: жоғары температураға және әртүрлі химиялық бұқаралық ақпарат құралдарына, үйкеліс коэффициентіне, кәдімгі, құрғақ үйкеліс сипаттамаларына, төмен, төмен статикалық және үйкеліс құндылықтарына төзімді.
Материал: PTFE + жапырақтары
|
Сот ойықтарының мысалдары |
Төменде стандартты ойық өлшемдері берілген (өлшем диапазонындағы кез-келген мөлшердегі шаң дақылдары) |
|||||||||
|
|
|
ΦD |
ΦD |
L |
R |
X |
Максималды экструзиясы бар |
|||
|
100 бөрік |
200 Бар |
400 б. |
||||||||
|
10-19.9 |
D + 4.5 |
3.6 |
0.4 |
0.6 |
0.15 |
0.10 |
0.07 |
|||
|
20-39.9 |
D + 6.2 |
4.8 |
0.6 |
0.7 |
0.20 |
0.15 |
0.08 |
|||
|
40-119.9 |
D + 9.4 |
7.1 |
0.8 |
0.8 |
0.25 |
0.20 |
0.10 |
|||
|
120-1000 |
D + 12.2 |
9.5 |
0.8 |
0.9 |
0.30 |
0.25 |
0.12 |
|||
|
> 1000 |
D + 19.0 |
15 |
0.8 |
0.9 |
0.50 |
0.40 |
0.20 |
|||



















































































Мекенжай
№1 Руйчэн жолы, Дунлиутинг индустриалды паркі, Ченьян ауданы, Циндао қаласы, Шаньдун провинциясы, Қытай
Тел
Электрондық пошта