Ручен герметикалық технологияның инновациясының алдыңғы қатарында. Өз бетінше дамыған жоғары қысымды шаң дақылдары қозғалмалы бөлшектердің шаңға төзімді қажеттіліктерін дәл анықтап, өте жақсы қорғаныс жасау үшін PTFE шаң сақиналары мен о-сақиналарын қолданыңыз. Жұмыс істеп тұрған кезде, O-RINK PTFE сақинасының тозуын өтеу үшін тұрақты алдын-ала жүктеуді қолданады, сонымен қатар мөрдің ұзақ мерзімді тұрақтылығын қамтамасыз ету; Шаң сақинасы шаңның шаңсуға қарсы тұру үшін киюге қарсы материалдарын пайдаланады. Мысалы, құрылыс техникасының гидравликалық цилиндрлерінің түйіскенде, құрылыс алаңындағы шаңға қарайтын, жоғары қысымды шаң дорбалары шаңды құртып, топтастыруды және цилиндрдің үздіксіз жұмысын қамтамасыз етуге; Автоматтандырылған өндірістік желінің роботикалық қолының өзара сервілдік сілтемесі, оның шаң дақылдары дәл бөлшектерді шаң араласуынан қорғайды және жоғары дәлдікті операцияларды жүргізуден қорғайды; Тау-кен техникасының спиральды қондырғылары, кен шаңының қоршаған ортасында, жоғары қысымды шаңды тығыздағыштар жабдықтың тұрақты жұмысын қамтамасыз етеді, ықтимал ақауларды азайтады және жабдықтың қызмет ету мерзімін ұзартады. Рухен тығыздау ұзақ уақыт терең дамуға бағытталған. Кәсіби топқа және заманауи қондырғыларға сүйене отырып, ол клиенттердің қажеттіліктеріне сәйкес, сонымен қатар өндіріс сапасына сәйкес, сонымен қатар өндіріс сапасын дербес бақылауға ғана емес, сонымен қатар тұтынушыларға бір аялдамада әр түрлі тығыздағыш проблемаларды жеңуге және саладағы жаңа биіктерге жетуге көмектеседі.
Шаңмен төзімді герметикалық жұмыс жағдайлары
| Қырынан бейнелеу | Улгі | Температура (℃) | Жылдамдық (м / с) | Құралдар |
![]() |
RCF01 | -35 ~ + 100 (сәйкестік O-Ring NBR) | 6 | Гидравликалық май, эмульсия, су және т.б. |
| -20 ~ + 200 (Сәйкес O-сақинасы FKM) | ||||
![]() |
RCF02 | -35 ~ + 100 (сәйкестік O-Ring NBR) | 6 | Гидравликалық май, эмульсия, су және т.б. |
| -20 ~ + 200 (Сәйкес O-сақинасы FKM) | ||||
![]() |
RCF03 | -35 ~ + 100 (сәйкестік O-Ring NBR) | 6 | Гидравликалық май, эмульсия, су және т.б. |
| -20 ~ + 200 (Сәйкес O-сақинасы FKM) | ||||
![]() |
RCF04 | -35 ~ + 100 (сәйкестік O-Ring NBR) | 6 | Гидравликалық май, эмульсия, су және т.б. |
| -20 ~ + 200 (Сәйкес O-сақинасы FKM) | ||||
![]() |
RCF05 | -35 ~ + 100 (сәйкестік O-Ring NBR) | 6 | Гидравликалық май, эмульсия, су және т.б. |
| -20 ~ + 200 (Сәйкес O-сақинасы FKM) |
Тапсырыс беру мысалы:
RCF01-80-PTFE3-R01
RCF01-моделі 80-біліктің диаметрі PTFE3-әмбебап модификацияланған PTFE R01 сәйкес Резеңке материал коды
Нитрильді резеңке (NBR) -R01 Flowerorubber (FKM) -R02
RCF02-80-ptfe3-r01 тапсырыс үлгісінің моделі
RCF02-Model 80-біліктің диаметрі PTFE3-Жалпы модификацияланған PTFER01-сәйкестендірілген резеңке материал коды
NBR (NBR) -R01 Flowerorubber (FKM) -R02
RCFO3-80-PTFE3 -R01 тапсырыс үлгісіне тапсырыс беру
RCF03-MODEM 80-біліктің диаметрі PTFE3-жалпы модификацияланған PTFE R01 сәйкес резеңке материал коды
Нитрильді резеңке (NBR) -R01 Flowerorubber (FKM) -R02
RCF04-80-ptfe3-r01 тапсырыс үлгісінің моделі
RCF04-MODEM 80-біліктің диаметрі PTFE3-жалпы модификацияланған PTFE R01-сәйкес резеңке материал коды
Нитрильді резеңке (NBR) -R01 Flowerorubber (FKM) -R02
RCF04-80-ptfe3-r01 тапсырыс үлгісінің моделі
RCF04-MODEM 80-біліктің диаметрі PTFE3-жалпы модификацияланған PTFE R01-сәйкес резеңке материал коды
Нитрильді резеңке (NBR) -R01 Flowerorubber (FKM) -R02
RCF05-80-ptfe3-r01 тапсырыс моделі
Rcf05-модель 80-біліктің диаметрі PTFE3-Жалпы модификацияланған PTFE R01 сәйкес Резеңке материал коды
Нитрильді резеңке (NBR) -R01 Flowerorubber (FKM) -R02
Ерекшеліктер:
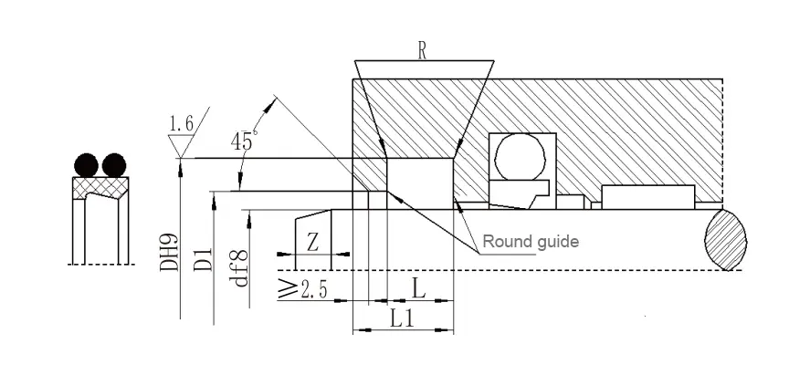
| RCF01 техникалық сипаттамалары (параметр диапазонындағы кез-келген мөлшердегі өнімдер) | ||||||
| Білік диаметрі D F8 |
Диаметрі D H9 |
Ойық ені L+0.2 |
Ашық тесік диаметрі D1 H11 |
Ашық шұңқырдың ені а » |
Дөңгелектелген бұрыштар R |
O-сақиналық сым диаметрі д0 |
| 19 ~ 39 | D + 7.6 | 4.2 | D + 1.5 | 3 | 0.8 | 2.65 |
| 40 ~ 69 | D + 8.8 | 6.3 | D + 1.5 | 3 | 0.8 | 2.65 |
| 70 ~ 139 | D + 12.2 | 8.1 | D + 2.0 | 4 | 0.8 | 3.55 |
| 140 ~ 399 | D + 16.0 | 9.5 | D + 2.5 | 5 | 1.5 | 5.30 |
| 400 ~ 649 | D + 24.0 | 14 | D + 2.5 | 8 | 1.5 | 7.00 |
| 650 ~ 1500 | D + 27.3 | 16 | D + 2.5 | 10 | 2.0 | 8.60 |
| RCF02, RCF03 Specification параметрлерінің кестесі (Параметр диапазонындағы кез-келген мөлшердегі өнімдер) | ||||||
| Білік диаметрі D F8 |
Диаметрі D H9 |
Ойық ені L+0.2 |
Ашық тесік диаметрі D1 H11 |
Ашық шұңқырдың ені а » |
Дөңгелектелген бұрыштар R |
O-сақиналық сым диаметрі д0 |
| 4 ~ 11 | D + 4.8 | 3.7 | D + 1.5 | 2 | 0.4 | 1.8 |
| 12 ~ 64 | D + 6.8 | 5 | D + 1.5 | 2 | 0.7 | 2.65 |
| 65 ~ 250 | D + 8.8 | 6 | D + 1.5 | 3 | 1.0 | 3.55 |
| 251 ~ 420 | D + 12.2 | 8.4 | D + 2.0 | 4 | 1.5 | 5.30 |
| 421 ~ 650 | D + 16.0 | 11 | D + 2.0 | 4 | 1.5 | 7.00 |
| 651 ~ 1500 | D + 20.0 | 14 | D + 2.5 | 5 | 2.0 | 8.60 |
| RCF04 сипаттамасы Параметр кестесі (Параметр диапазонындағы кез-келген мөлшердегі өнімдер) | ||||||
| Білік диаметрі D F8 |
Диаметрі DH9 |
Диаметрі D1 H11 |
Ойық ені L+0.2 |
Жалпы ені L1 |
Дөңгелек бұрыштар Rmax | Түймесінің ұзындығы Zmin |
| 20 ~ 39.9 | D + 7.6 | D + 1 | 4.2 | 8.2 | 0.4 | 3 |
| 40 ~ 69.9 | D + 8.8 | D + 1.5 | 6.3 | 10.3 | 1.2 | 4 |
| 70 ~ 139.9 | D + 12.2 | D + 2.0 | 8.1 | 12.1 | 2 | 6 |
| 140 ~ 399.9 | D + 16.0 | D + 2.0 | 11.5 | 15.5 | 2 | 8 |
| 400 ~ 649.9 | D + 24.0 | D + 2.5 | 15.5 | 19.5 | 2 | 10 |
| 650 ~ 1000 | D + 27.3 | D + 2.5 | 18.0 | 23.0 | 2 | 12 |
| RCF05 Specification параметрі кестесі (параметр диапазонындағы кез-келген мөлшердегі өнімдер) | ||||||
| Білік диаметрі D F8 | Диаметрі DH9 | Диаметрі D1 H11 | Ойық ені L+0.2 |
Бүйірлік ені L1 |
Дөңгелек бұрыштар Rmax |
Түймесінің ұзындығы Zmin |
| 100 ~ 229 | D + 22.2 | D + 10.7 | 6.3 | 4.2 | 1.2 | 6 |
| 230 ~ 299 | D + 24.2 | D + 10.7 | 6.3 | 4.2 | 1.2 | 8 |
| 300 ~ 629 | D + 33.0 | D + 15.1 | 8.1 | 6.3 | 1.2 | 10 |
| 630 ~ 1000 | D + 36.5 | D + 15.1 | 9.5 | 6.3 | 2 | 12 |
Қолдану:
Негізінен ауылшаруашылық техникаларында, гидравликалық принтерде, инъекциялық қалыптау машиналарында, гидравликалық басқару жүйелері, жемшөптер, роликтер, крандар, тиеу, тиеу және түсіру машиналары және т.б.











Мекенжай
№1 Руйчэн жолы, Дунлиутинг индустриалды паркі, Ченьян ауданы, Циндао қаласы, Шаньдун провинциясы, Қытай
Тел
Электрондық пошта